咨询热线:138-3214-7329 189-0339-0754 欢迎进入车载DCDC转换器、军用ups电源、模块电源厂家石家庄PA直营电子科技有限公司官网!

标准模块电源(DC-DC转换器、AC-DC转换器)

新能源电动汽车DC-DC模块电源集成、制造商

PA直营Contact us
全国咨询热线138-3214-7329

石家庄PA直营电子科技有限公司

公司地址:河北.石家庄市长安区丰收路188号

联系电话:189-0339-0754

公司邮箱:zhuoxuankj@126.com

AC/DC电源模块

AC-DC电源模块2.5W-3W

高可靠性、高效率、高功率密度2.5-3W

宽范围输入:85-265VAC(110Vac 220Vac)

输出电压:3.3V/5V/12V/24V/28V/48V

低辐射干扰、低纹波噪声

输出路数 :单路、双路共地、双路隔离

工作温度 :-40~+70℃

效率:高达88%

冷却方式 :自然空冷

具有输出短路、过压、过流等保护功能

通过CE认证、国际标准引脚,PCB板直插安装

广泛应用于军工、仪器仪表、通信、继电保护装置、工控电源、新能源BMS电源、铁路机车电源等领域


在线咨询全国热线
189-0339-0754


典型性能:宽压输入、单路输出,输入频率范围47Hz-440Hz,输出低纹波噪声、高稳压精度、长期短路保护自恢复、使用效率高,高隔离耐压,小体积;
广泛应用:工业自动化、通信、医疗、车载设备、新能源、铁路信号、仪器仪表、电力系统、军用设备、车船舰载、雷达、航空航天等领域
电参数测试环境:所有参数均在标称输入电压,标称负载、环境温度25℃下测得,特殊除外
产品命名方式:
              
产品型号列表:
产品型号输入电压范围(AC)输出电压(VO)/输出电流(IO)纹波噪声效率(%)
 


85-265V(AC)
120-360V(DC)
Vo1Io1Vo2Io2Vo3Io3  
ZAS2.5-05-W05V0.5    <%175
ZAS2.5-12-W12V0.2    <%175
ZAS2.5-15-W15V0.16    <%175
ZAS2.5-24-W24V0.1    <%175
ZAS2.5-48-W48V0.05    <%175
ZAS2.5-09-W09V0.27    <%175
ZAS2.5-3.3-W 3.3V0.75    <%172
注:以上型号未尽,有更多参数可选,详情咨询我公司。
输入特性低端(Vac)标称输入电压(Vac)高端(Vac)
输入电压85VAC220VAC265VAC
输入频率范围47Hz-440Hz
输出特性
输出电压精度±1%,Vo2±3%,Vo3±3%
纹波噪声<1%Vp-p(20MHz示波器光探头测试)
负载效应10%~负载变化时  ≤ ±0.2%
温度系数≦±0.02%/℃(更大值)
输出保护短路保护(长期、自恢复)、过温保护、过流保护、过压保护
一般特性
工作环境温度-25~+60℃(工业级)  -40~+70℃(军工级)  -55~+85℃(航天级)
储存温度-45~+105℃(工业级) -55~+105℃(军工级)  -60~+125℃(航天级)
储存湿度5%~95%RH
隔离电阻>100M
隔离耐压输入-输出2500VAC   输入-外壳2500VAC   输出-外壳500VAC
工作频率60KHz/100KHz
安装方式焊接式
外壳材料低辐射塑料或紫铜外壳
冷却方式自然空冷
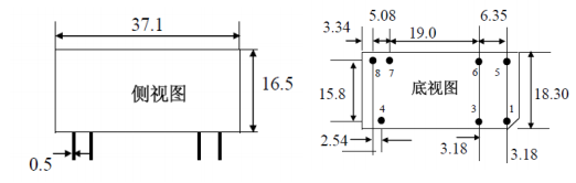
安装尺寸(单位:mm)及管脚定义:



 

引脚1345678
单路Vo1GNDFGNCNPNL


本文标签:
在线客服
联系方式

热线电话

138-3214-7329

上班时间

周一到周五

公司电话

189-0339-0754

二维码
线
PA直营
网站地图