咨询热线:138-3214-7329 189-0339-0754 欢迎进入车载DCDC转换器、军用ups电源、模块电源厂家石家庄PA直营电子科技有限公司官网!

标准模块电源(DC-DC转换器、AC-DC转换器)

新能源电动汽车DC-DC模块电源集成、制造商

PA直营Contact us
全国咨询热线138-3214-7329

石家庄PA直营电子科技有限公司

公司地址:河北.石家庄市长安区丰收路188号

联系电话:189-0339-0754

公司邮箱:zhuoxuankj@126.com

您的位置:首页>>产品中心
产品中心

插针式模块30-40W

在线咨询全国热线
189-0339-0754
产品特点
   宽输入电压范围,单、双、叁路输出
    典型转换效率85%
    300KHz 工作频率                            
    内置输入滤波器
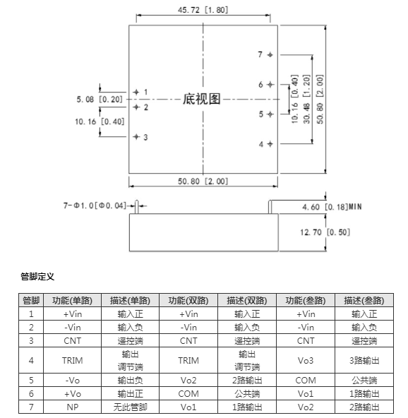
   尺寸:50.8*50.8*12.7(mm)
 
典型应用
   工业仪表、数字电路、电子设备
   卫星导航、遥感遥测、地面通讯、便携设备

 
输入特性 条件 最小 典型 最大 单位 备注
输入电压范围 标称12V 9 12 18 Vdc  
标称24V 18 24 36
标称48V 36 48 72
标称110V宽范围 70 110 140
遥控特性(正逻辑) 关断时输入电流     30 mA 注 1
低电平 0   0.4 V
高电平 1.5   5.0 V
遥控特性(负逻辑,尾缀/P) 关断时输入电流     30 mA 注 2
低电平 0   0.4 V
高电平 1.5   5.0 V
输入反射纹波电流 满载,标称输入电压   10% 15% Ionom 峰峰值
注1:逻辑参考地-Vin,低电平关断,高电平或悬空工作。 注2: 逻辑参考地-Vin,低电平工作,高电平或悬空关断。
输出特性 条件 最小 典型 最大 单位 备注
输出电压精度 Vo1   ±0.5% ±1.0% Vonom  
Vo2,Vo3   ±2.0% ±3.0%
输出电压调节 满载,标称输入电压 Vo1     ±10% Vonom  
源效应 满载,输入低端~高端 Vo1     ±0.2% Vonom  
Vo2,Vo3     ±1.5%
负载效应 标称输入电压,20%~100%标称负载 Vo1     ±0.5% Vonom  
Vo2,Vo3     ±4.0%    
启动时间 输入低端~高端     10 ms  
输出过流保护 标称输入电压 120%     lonom  
输出纹波与噪声 20MHz BW,满载,标称输入电压 Vo≤5V     50 mV 同轴电缆测试法
峰峰值
Vo≥24V     200
其它     100
输出短路保护 截止型,自恢复
温度系数 满载,标称输入电压     ±0.02%  
 
一般特性 条件 最小 典型 最大 单位 备注
隔离电压 输入、输出及外壳之间 500     Vdc  
隔离电阻 输入、输出及外壳之间   500    
MTBF MIL-HDBK-217(25℃)     600000 h  
工作壳温 自由空气对流,不降额 工业级 -25   85
满载
军品级 -40   95
航天级 -55   125
工作环境温度 自由空气对流,不降额 工业级 -25   55
满载
军品级 -40   70
航天级 -55   85
存储温度   工业级 -40   105  
军品级 -50   125
航天级 -60   125
管脚焊接温度 每个管脚焊接时间小于10S   300    
 
型号 输入电压范围(V 标称输入电压(V 标称输出电压(V 标称输出电流(A 输出功率(W 效率(%
ZXD25E-□S3.3 9~18
18~36
36~72
70~140
12
24
48
110
3.3 7.58 25 80
ZXD25E-□S05 5 5.00 25 83
ZXD25E-□S09 9 2.78 25 84
ZXD25E-□S12 12 2.08 25 85
ZXD25E-□S15 15 1.67 25 85
ZXD25E-□S18 18 1.39 25 83
ZXD25E-□S24 24 1.04 25 84
ZXD25E-□S28 28 0.89 25 85
ZXD25E-□S48 48 0.52 25 80
ZXD30E-□S3.3 3.3 9.09 30 83
ZXD30E-□S05 5 6.00 30 84
ZXD30E-□S09 9 3.33 30 85
ZXD30E-□S12 12 2.50 30 85
ZXD30E-□S15 15 2.00 30 83
ZXD30E-□S18 18 1.67 30 84
ZXD30E-□S24 24 1.25 30 85
ZXD30E-□S28 28 1.07 30 80
ZXD30E-□S48 48 0.63 30 83
ZXD25E-□T05V12V 5±12 3±0.4 25 83
ZXD25E-□T05V15V 5±15 3±0.3 25 83
(仅列出典型型号,其它型号,请确定功率、输入电压
 外形尺寸(单位:mm   未注公差按GB/T1804-2000m级执行)


















 
本文标签:
在线客服
联系方式

热线电话

138-3214-7329

上班时间

周一到周五

公司电话

189-0339-0754

二维码
线
PA直营
网站地图