2020-03-18 12:54:41DC-DC模块电源纹波测量总结方案
dc-dc电源模块纹波指标值是一项很至关重要的主要参数。洁净的电源模块是数字电路平稳工作的首要条件,又是仿真模拟电子元器件的各类主要参数的至关重要保证。 关键在于确认的电源模块洁净,需要对dc-dc电源模块的輸出纹波开展精确测量。但许多人精确测量获得的纹波值动则上百mV,甚至于......
了解详情石家庄PA直营电子科技有限公司
公司地址:河北.石家庄市长安区丰收路188号
联系电话:189-0339-0754
公司邮箱:zhuoxuankj@126.com

dc-dc电源模块纹波指标值是一项很至关重要的主要参数。洁净的电源模块是数字电路平稳工作的首要条件,又是仿真模拟电子元器件的各类主要参数的至关重要保证。 关键在于确认的电源模块洁净,需要对dc-dc电源模块的輸出纹波开展精确测量。但许多人精确测量获得的纹波值动则上百mV,甚至于......
了解详情
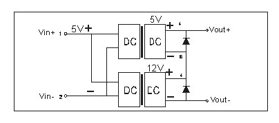
1.dcdc电源模块-电源模块串联如何使用 直流输出的隔离模块电源容许好几个电源模块将其“正”与另外的“负”串联起來应用,那样能够得到一些常规性或较高的电压值。如下图所示1:dcdc电源模块串联 电源模块1 为5V 输出,模块2 为12V 输出,串联获得17V 常规性高电压,总输......
了解详情
我国实际有电源模块科研开发acdc模块电源企业是有上百家乃至是几千家的,一般而言全是中小企业和民营企业为主,因此通过这数值能够看出其电源模块的竞争能力并非太大,并且制造业密集是较为低的。在acdc模块电源市场上能够排行入前十的电源模块厂家市场份额又是极低的。电源模块 我觉得大部分......
了解详情随着电子行业技术的进步,电源模块已经不能简单的列举它有几种了,分类的方式都有很多种类。不管怎么分,选择合适自身的才是最好的。从不同应用上来看,大致可分为以下几种。1、按输入输出类型分:主要分为交流输入AC-DC模块电源和直流输入DC-DC模块电源,以及DC-AC逆变电源。2、按输......
了解详情鉴于模块电源的贩卖市场必要量大促使市面出現了诸多经销商竞相发布不一样类型的模块电源源模块,促使模块电源行业中不一样厂家的模块电源产品的输入电压、输出功率、功能及拓扑结构等方面都没有一个同一的标准,可是这种模块电源常有1个共同的特征就是说若为专用型集成模块电源路芯片(ASIC)、数......
了解详情
一、电源模块的作用 电源模块的主要作用就是电压的转换,它可以将交流或直流电变换成你所需要的交流或直流电。如:将市电220V交流电(AC)转换成5V直流电(DC),因为交流220V的电是高压电,而电子产品是低压供电的,这就需要一个转换装置,将交流220V的电压转换成低压。再比如在机......
了解详情电源模块运用的广泛以及重要性相信大家都深有体会,因为我们无处不在享受着电所给我们带来的便利。下面就和大家一起来了解电源模块中的纹波是什么? 1、纹波(ripple)的定义 由于直流稳定电源一般是由交流电源经整流稳压等环节而形成的,这就不可避免地在直流稳定量中多少带有一些交流成......
了解详情
一.DC-DC模块电源的市场构成1铁路及轨道交通产业对于中国而言,地大物博,国土面积庞大的同时也有世界上最多人口。随着中国经济发展增速,她已经从最早单一的以公路运输为主,慢慢发展成公路、铁路、航空、海运为一体的环形运输体系。但是总体而言,中国的铁路运输网相对发达国家来讲还不健全,......
了解详情
中国铁路已迎来第二高峰期,2013年中国财政预算投入铁路电气及基建4万多亿人民币,上半年已投入约2万亿元,年底之前将继续投入剩余预算2万多亿元,因此十二五规划中的未来三年期间,中国铁路领域所需求的高可靠性、靠功率密度、高端电源的需求量相对过去5年将会倍增3倍以上,应随中国铁路高速......
了解详情A、保护:一般模块电源产品都有内置滤波器,能满足一般电源应用的要求。如果需要更高要求的电源系统,应增加输入滤波网络。可以采用LC或π型网络,但应注意尽量选择较小的电感和较大的电容。 B、 降噪:有源滤波 C、稳压:交流市电供电\远程直流供电\分布式电源供电系统\电池供电 ......
了解详情AC-DC电源模块的灌封是很重要的,这一工艺不仅涉及到AC-DC电源模块的防护,(防水,防潮,防尘,防腐蚀等),还涉及到AC-DC电源模块的热设计。那么AC-DC电源模块的灌封有哪些要求是需要我们了解的呢? 电源模块灌封材料常用的分为三大类:环氧树脂、聚胺脂和硅橡胶。 环氧树脂因......
了解详情随着电力电子技术的高速发展,电力电子设备与人们的工作、生活的关系日益密切,而电子设备都离不开可靠的电源,进入80年代计算机电源全面实现了开关电源模块化,率先完成计算机的电源换代,进入90年代开关电源相继进入各种电子、电器设备领域,程控交换机、通讯、电子检测设备电源、控制设备电源等......
了解详情电源模块主要应用于哪些领域呢?其实在我们生活中也有不少地方会用到它,石家庄PA直营电子科技有限公司可为以下行业客户定制电源模块: 电力行业 有线电、无线电、光或其他电磁系统,对电力系统运行、经营和管理等活动中会需要电力电源模块。 医疗电子 医疗电子与其他定位于大众市场及在乎成本的消......
了解详情共模电感是指两个线圈绕在同一铁芯上,且绕制相反、匝数和相位都相同。常用于开关电源中过滤共模的电磁干扰信号,EMI滤波用于抑制高速信号线产生的电磁波向外辐射发射。电源模块输入端加共模电感一般是为了减少辐射、降低高频共模噪音。其对共模噪音有明显的抑制作用,工作原理是当共模电流通过元件......
了解详情DC-DC电源模块以高集成度、高可靠性、简化设计等多重优势,那在使用的时候会有哪些问题? 1.输出纹波噪声偏大 原因1:模块在使用时,负载为动态负载,使得模块输出电压峰峰值变大,但注意这不是纹波噪声。 当负载电流如果进行周期性突变时,模块输出电压的峰峰值会变大。这是一个瞬态......
了解详情