• 咨询热线:138-3214-7329 189-0339-0754 欢迎进入车载DCDC转换器、军用ups电源、模块电源厂家石家庄PA直营电子科技有限公司官网!

    标准模块电源(DC-DC转换器、AC-DC转换器)

    新能源电动汽车DC-DC模块电源集成、制造商

    PA直营Contact us
    全国咨询热线138-3214-7329

    石家庄PA直营电子科技有限公司

    公司地址:河北.石家庄市长安区丰收路188号

    联系电话:189-0339-0754

    公司邮箱:zhuoxuankj@126.com

    工业开关电源

    便装式开关电源350W

    在线咨询全国热线
    189-0339-0754
    广泛应用于工业自动化控制、军工设备、科研设备、LED照明、工控设备、通讯设备、电力设备、仪器仪表、医疗设备、安防监控、液晶显示器等领域
    单组输出:功率350W
    输入电压:85-265VAC/254-375VDC
    内置EMI电路、采用进口元器件
    采用长寿命105℃电解电容
    具备过载/过压/短路/过温保护(300W以上)
    内置可控制风扇(300W以上)
    可承受5G震动, 70℃操作温度
    操作高度达5000米
    五年质保
    型号 S-350-5 S-350-9 S-350-12 S-350-15 S-350-18 S-350-24
    直流输出电压、电流 5V 050A 9V 038A 12V 029A 15V 023.3A 18V 019.4A 24V 014.6A
    纹波及噪音 150mVp-p 150mVp-p 150mVp-p 150mVp-p 150mVp-p 150mVp-p
    进线稳定度 ±0.5% ±0.5% ±0.5% ±0.5% ±0.5% ±0.5%
    负载稳定度 ±0.5% ±0.5% ±0.5% ±0.5% ±0.5% ±0.5%
    效率 73% 78% 83% 83% 84% 85%
    直流电压可调范围 ±10% ±10% ±10% ±10% ±10% ±10%
    输入电压范围 90132VAC/180264VAC 由开关切换 254370VDC 4763Hz
    冲击电流 冷启动电流 25A/115VAC 50A/230VAC
    过载保护 105%135%切断输出,自动恢复
    过电压保护 115%150%关闭输出,电源重启后可恢复输出
    启动、上升、保持时间 200ms, 50ms, 20ms/230VAC 满负载
    耐压性 输入输出间:1.5kV 输入与外壳间:1.5kV 输出与外壳间:0.5kV 一分钟
    隔离电阻 输入输出间 输入与外壳间 输出与外壳间:500VDC/100M
    工作温度 -10℃~+50
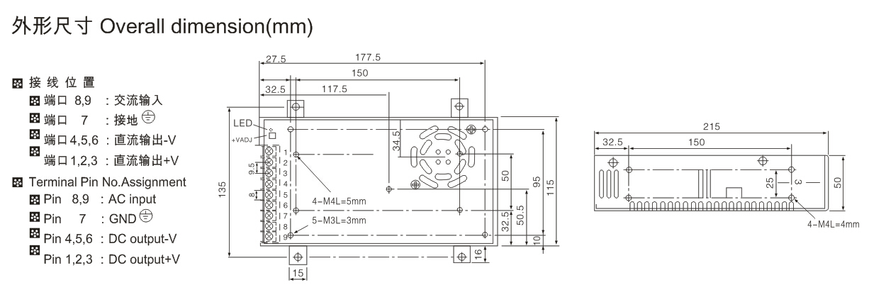
    尺寸 215×115×50mm
    重量 1kg
    包装 45.5×31.5×26CM/20PCS/20kg

     
    /Upload/20200301142601ezlv.jpg
     

     

     

    本文标签:
    在线客服
    联系方式

    热线电话

    138-3214-7329

    上班时间

    周一到周五

    公司电话

    189-0339-0754

    二维码
    线
    PA直营
    网站地图