咨询热线:138-3214-7329 189-0339-0754 欢迎进入车载DCDC转换器、军用ups电源、模块电源厂家石家庄PA直营电子科技有限公司官网!

标准模块电源(DC-DC转换器、AC-DC转换器)

新能源电动汽车DC-DC模块电源集成、制造商

PA直营Contact us
全国咨询热线138-3214-7329

石家庄PA直营电子科技有限公司

公司地址:河北.石家庄市长安区丰收路188号

联系电话:189-0339-0754

公司邮箱:zhuoxuankj@126.com

工业开关电源

便装式开关电源150W

在线咨询全国热线
189-0339-0754
广泛应用于工业自动化控制、军工设备、科研设备、LED照明、工控设备、通讯设备、电力设备、仪器仪表、医疗设备、安防监控、液晶显示器等领域
单组输出:功率150W
输入电压:85-265VAC/120-375VDC
无PFC功能,最经济型机型
小型化及1U低高度(30mm)
300VAC浪涌电流
空载待机消耗瓦数:0.2~0.75W
可承受5G震动, 70℃操作温度
操作高度达5000米
完整安规认证: IEC/EN60335-1(PD3), IEC/EN61558-1,-2-16; IEC/EN/UL60950-1及GB4943
型号 ZAS-150-5 ZAS-150-12 ZAS-150-15 ZAS-150-24 ZAS-150-36 ZAS-150-48
直流输出电压、电流 5V 0~30A 12V 0~12.5A 15V 0~10A 24V 0~6.25A 36V 0~4.16A 48V 0~3.12A
纹波及噪音 150mVp-p 150mVp-p 180mVp-p 180mVp-p 200mVp-p 200mVp-p
进线稳定度 ±0.5% ±0.5% ±0.5% ±0.5% ±0.5% ±0.5%
负载稳定度 ±1% ±0.5% ±0.5% ±0.5% ±0.5% ±0.5%
效率 79% 82% 83% 83% 86% 86%
直流电压可调范围 ±10% ±10% ±10% ±10% ±10% ±10%
输入电压范围 85~265VA或120~375VDC
冲击电流 冷启动电流15A/115VAC 30A/230VAC
过载保护 105%201%切断输出,自动恢复
过电压保护  断掉输出、重新上电
启动、上升、保持时间 200ms, 50ms, 20ms/230VAC 满负载
耐压性 输入输出间:1.5kV 输入与外壳间:1.5kV 输出与外壳间:0.5kV 一分钟
隔离电阻 输入输出间 输入与外壳间 输出与外壳间:500VDC/100M
工作温度 -10℃~+50
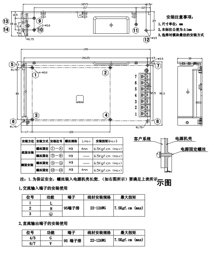
尺寸 199×98.3×38mm
重量 0.9kg
包装 42×31.5×26CM/20PCS/18kg

 
本文标签:
在线客服
联系方式

热线电话

138-3214-7329

上班时间

周一到周五

公司电话

189-0339-0754

二维码
线
PA直营
网站地图