• 咨询热线:138-3214-7329 189-0339-0754 欢迎进入车载DCDC转换器、军用ups电源、模块电源厂家石家庄PA直营电子科技有限公司官网!

    标准模块电源(DC-DC转换器、AC-DC转换器)

    新能源电动汽车DC-DC模块电源集成、制造商

    PA直营Contact us
    全国咨询热线138-3214-7329

    石家庄PA直营电子科技有限公司

    公司地址:河北.石家庄市长安区丰收路188号

    联系电话:189-0339-0754

    公司邮箱:zhuoxuankj@126.com

    DC/DC模块电源

    全砖电源模块300W-700W

    300-700W DC/DC 电源模块系列

    功  率: 300-700W

    输入电压: 18-36、36-75、66-160、200-400VDC

    输出电压: 5、9、12、15、24、28、36、48VDC

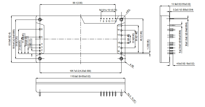
    封装尺寸: 60.1*116.8*12.7mm

    具有宽范围的直流电压输入,高功率密度,高效率。输出电压可通过外接电阻调整,具有ON/OFF开关控制,高效率可达95%,具有过温,过压、过流等保护电路;更高工作温度可达到85°C;可以用于多种领域,如工业控制,计算机、服务器等。




    在线咨询全国热线
    189-0339-0754

    典型性能:宽压输入(1:2或1:4)、单路、双路输出,输出低纹波噪声、高稳压精度、长期短路保护自恢复、使用效率高,高隔离耐压
    广泛应用:工业自动化、通信、医疗、车载设备、新能源、铁路信号、仪器仪表、电力系统、军用设备、车船舰载、雷达、航空航天等领域




    尺寸图及管脚定义:

     

    本文标签:
    在线客服
    联系方式

    热线电话

    138-3214-7329

    上班时间

    周一到周五

    公司电话

    189-0339-0754

    二维码
    线
    PA直营
    网站地图