咨询热线:138-3214-7329 189-0339-0754 欢迎进入车载DCDC转换器、军用ups电源、模块电源厂家石家庄PA直营电子科技有限公司官网!

标准模块电源(DC-DC转换器、AC-DC转换器)

新能源电动汽车DC-DC模块电源集成、制造商

PA直营Contact us
全国咨询热线138-3214-7329

石家庄PA直营电子科技有限公司

公司地址:河北.石家庄市长安区丰收路188号

联系电话:189-0339-0754

公司邮箱:zhuoxuankj@126.com

AC/DC电源模块

AC-DC电源模块5W-10W

功  率:5-10W

输入电压:85-265Vac

输出电压:3.3V/5/12/18V/24V/28V/48V

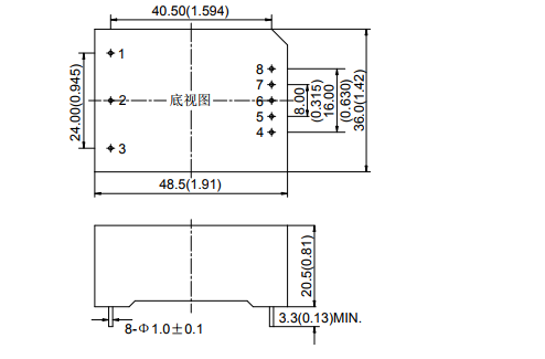
封装尺寸:48.5x36x20.5mm

高效率、高可靠性、小体积

六面金属屏蔽封装

宽电压输入范围

此产品系列具有全球通用输入电压范围、交直流两用、高可靠性、高效率、低功耗、安全隔离、抗干扰能力强等特点,尤其在电磁兼容方面表现优越,浪涌按照 IEC61000 标准达到LEVEL 4,符合电力行业产品设计要求,低纹波噪声,高功率密度,输出短路、过流等多重保护功能。在通信、电力、铁路、工业控制、新能源等行业广泛应用。

 


在线咨询全国热线
189-0339-0754

典型性能:宽压输入、单、双、三路输出,输入频率范围47Hz-440Hz,输出低纹波噪声、高稳压精度、长期短路保护自恢复、使用效率高,高隔离耐压。
广泛应用:工业自动化、通信、医疗、车载设备、新能源、铁路信号、仪器仪表、电力系统、军用设备、车船舰载、雷达、航空航天等领域

@电参数测试环境:所有参数均在标称输入电压,标称负载、环境温度25℃下测得,特殊除外
产品命名方式:
             

产品型号列表:
产品型号输入电压范围(AC)输出电压(VO)/输出电流(IO)纹波噪声效率(%)







85-265V(AC)
120-360V(DC)
Vo1Io1Vo2Io2Vo3Io3

ZAS05-05-W05V1A



≤%185
ZAS05-12-W12V0.41A



≤%188
ZAS05-15-W15V0.33A



≤%188
ZAS05-24-W24V0.21A



≤%187
ZAS05-48-W48V0.1A



≤%187
ZAS05-09-W09V0.55A



≤%182
ZAS05-3.3-W3.3V1A



≤%181
ZAD05-12-W+12V0.2A-12V0.2A

≤%189
ZAD05-24-W+24V0.1A-24V0.1A

≤%188
ZAD05-15-W+15V0.16A-15V0.16A

≤%187
ZAD05-48-W +48V0.05A-48V0.05A

≤%186
ZAT05-0512-W+05V0.5A+12V0.25A-12V0.25A≤%185
ZAT05-0524-W+05V0.5A+24V0.05A-24V0.05A≤%186
ZAT05-1224-W+12V0.2A+24V0.05A-24V0.05A≤%187
注:以上型号未尽,有更多参数可选,详情咨询我公司。
输入特性更低端(Vac)标称输入电压(Vac)更高端(Vac)
输入电压85VAC220VAC265VAC
输入频率范围47Hz-440Hz
输出特性
输出电压精度Vo1±1%,Vo2±3%,Vo3±3%
纹波噪声<1%Vp-p(20MHz示波器光探头测试)
负载效应±0.5%(10%-)
过流保护>110%
温度系数±0.03%/℃
输出保护短路保护(长期、自恢复)、过温保护、过流保护、过压保护
一般特性
工作环境温度-25~+60℃(工业级)  -40~+70℃(军工级)  -55~+85℃(航天级)
储存温度-45~+105℃(工业级) -55~+105℃(军工级)  -60~+125℃(航天级)
储存湿度5%~95%RH
隔离电阻>100M
隔离耐压输入-输出2500VAC   输入-外壳2500VAC   输出-外壳500VAC
工作频率60KHZ
安装方式焊接式
外壳材料低辐射塑料或金属外壳
冷却方式自然空冷
安装尺寸(单位:mm)及管脚定义:







本文标签:
在线客服
联系方式

热线电话

138-3214-7329

上班时间

周一到周五

公司电话

189-0339-0754

二维码
线
PA直营
网站地图